Saturday, April 4, 2026     
     Serving the Electronic Industries for Over 33 Years
Amp connectors sockets Logo
Bourns Potentiometers logo
cyberpower Surge protectors & UPS logo
Concord Hardwares and Connectors logo
     Electronic Components Distributor Logo                        
 Home
  |  View Account   |    Engineer's Corner    |  Contact Us  |  Cross Reference  |  Line Card  |  0 Item
Part Search
NTE Cross Ref. Search
Login
SRI Live Chat Help
call us email us contact us

Product Links

Inside SRI

About SRI
Contact Us
Careers
Link to Us!
Feedback

SRI-Newsletter
Subscribe to our newsletter to receive monthly specials, manufacturer's feature, and electronics news via email.

See Our latest release of SRI-Newsletter here

View Our List of Archived Newsletter Articles


SRI Links

Visit our Sister Site,

Distributor of

Industrial Products

  Web Search ..
  Powered by;

 107 Series PLCC Sockets
PLCC Socket Surface Mount
 Features
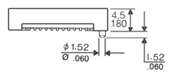
  • Low height above board, 4.5 mm
  • Same PCB layout for the socket and the IC chip<
  • Solder terminals visible for check after soldering
  • Available with index pins for orientation
  • Diagonal slots for easy extraction of the IC chip
  • Diagonal slots for easy extraction of the IC chip
  • Specifications

    Material
    Contact . . . . . . Phosphor Bronze
    Plating . . . . . . Tin over Nickel
    Insulator body . . . . . . Rated 94V-0
    Glass filled Polyphenylensulfid (PPS)

    Electrical
    Current rating . . . . . . 1amp maximum
    Contact resistance . . . . . . 20 milliohms
    Insulation resistance . . . . . . 5.000 M ohms

    Mechanical
    Soldering temp . . . . . . 215° C for 2 min.
    Mechanical life . . . . . . min. 25 cycles
    Operating temp . . . . . . -55° C to +110° C (continuous)


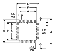
    Pins
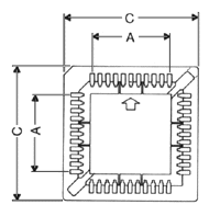
    A
    C
    D
    F
    G
    20
    5.08/.200"
    10.27/.404"
    10.27/.404"
    6.70/.264"
    12.70/.500"
    28
    7.62/.300"
    18.20/.717"
    12.81/.504"
    8.81/.347"
    15.24/.600"
    32
    Rect.
    7.62/.300"
    10.16/.400"
    20.70/.815"
    18.20/.717"
    12.80/.504 "
    15.34/.604"
    9.24/.364"
    11.78/.464"
    17.78/.700"
    44
    12.70/.500"
    23.20/.913"
    17.89/.704"
    14.32/.564"
    20.32/.800"
    52
    15.24/.600"
    25.80/1.015"
    20.62/.812"
    17.06/.672"
    22.86/.900"
    68
    20.32/.800"
    30.90/1.217"
    25.51/1.004"
    21.94/.864"
    27.94/1.100"
    84
    25.40/1.000"
    35.90/1.413"
    30.59/1.204"
    26.59/1.047"
    33.02/1.300"

    Part Builder and Ordering Information
    107

    107 -   20 -   1
         
    Series     Dip
    Number of Contact
      Index Pin Option
    107     20
    28
    32
    44
    52
    68
    84
          0 = with Index Pin
    1 = without Index Pin


    **Specifications subject to changes**
    [
    Go to Search] [Back]


    Page Links

    Part Numbering System


    Back