Thursday, April 2, 2026     
     Serving the Electronic Industries for Over 33 Years
Viking Multi-Pins plugs receptacles Logo
Bourns Potentiometers logo
nichifu Solderless Terminal & Connectors Logo
Molex Connectors Logo
     Electronic Components Distributor Logo                        
 Home
  |  View Account   |    Engineer's Corner    |  Contact Us  |  Cross Reference  |  Line Card  |  0 Item
Part Search
NTE Cross Ref. Search
Login
SRI Live Chat Help
call us email us contact us

Product Links

Inside SRI

About SRI
Contact Us
Careers
Link to Us!
Feedback

SRI-Newsletter
Subscribe to our newsletter to receive monthly specials, manufacturer's feature, and electronics news via email.

See Our latest release of SRI-Newsletter here

View Our List of Archived Newsletter Articles


SRI Links

Visit our Sister Site,

Distributor of

Industrial Products

  Web Search ..
  Powered by;

 15 Series PGA Sockets
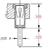
PGA Socket
 Applications and Features
  • Available in Gold or Tin Sleeve and Contacts
  • Available in thermoplastic polyester or glass epoxy
  • Custom design capabilities
  • Closed bottom precision sleeve protect against flux and solder contamination
  • Low profile design
  • Specifications

    Material  
    Insulator . . . . . . Glass-filled Polyester or
    Glass Epoxy
    Flammability Rating . . . . . . Rated 94V-0
    Shell Material . . . . . . Brass
    Outer Sleeve . . . . . . Tin/Nickel or Gold/Nickel
    Contact . . . . . . Tin/Nickel or Gold/Nickel

    Electrical
     
    Current rating . . . . . . 3 Amp (for 10° temperature rise)
    Contact resistance . . . . . . Less than 10 milliohms per contact
    Dieletric Withstanding Voltage . . . . . . 1000 V AC
    Insulation resistance . . . . . . (@ 500V DC) 10000 megaohms (min.)

    Mechanical
     
    Average withdrawa . . . . . . .5 oz. minimum
    Contact Capacitance . . . . . . 0.3 pF
    Contact life . . . . . . 25 cycles
    Operating temp . . . . . . -76°F to +284°F (Glass Epoxy)
    -65°C to +125°C (Plastic)
    Six Finger Low Insurtion Force Contacts Are Standard


    Terminal Style
    04
    02
    07
    08
    132
    451
    Series 15E Only
    83
    Series 15E Only
    98
    03


    Footprint

    11 x 11
    96 pins
    84 pins
    72A pins
    69 pins
    68 pins


    13 x 13
    169 pins
    145 pins
    144 pins
    133 pins
    132 pins
    128 pins


    14 x 14
    196 pins
    160 pins
    133 pins
    132 pins


    15 x 15
    225 pins
    181 pins
    176 pins
    145 pins


    16 x 16
    256 pins
    175 pins
    156 pins


    17 x 17
    240 pins
    169 pins
    168 pins


    18 x 18
    324 pins
    225 pins
    179 pins


    19 x 19
    280 pins
    257 pins
    238 pins


    20 x 20
    400 pins
    301 pins
    300 pins


    21 x 21
    441 pins
    319 pins
    273 pins


    22 x 22
    484 pins
    383 pins
    340 pins


    Part Builder and Ordering Information
    15

    15 P - 14 - 133 - 041 - T - G
       
    Series Material     Grid
    Size
    Total
    Number
    of Pins
    Terminal
    Style
    Shell
    Plating
    Contact
    Plating
    15 P = Plastic
    E = Glass Epoxy
        11 = 11x11
    13 = 13x13
    14 = 14x14
    15 = 15x15
    16 = 16x16
    17 = 17x17
    18 = 18x18
    19 = 20x20
    21 = 21x21
    22 = 22x22
    68
    69
    72A
    84
    96
    128
    132
    133
    144
    145
    156
    160
    168
    169
    175
    176
    179
    181
    196
    225
    238
    240
    256
    257
    273
    280
    300
    301
    319
    324
    340
    383
    400
    441
    484
    02
    03
    04
    07
    08
    83
    98
    132
    451
    T = Tin
    G = Gold
    T = Tin
    G = Gold


    **Specifications subject to changes**
    [
    Go to Search] [Back]


    Page Links

    Terminal Styles

    Footprints 11x11 Grid
    13x13 Grid
    14x14 Grid
    15x15 Grid
    16x16 Grid
    17x17 Grid
    18x18 Grid
    19x19 Grid
    20x20 Grid
    21x21 Grid
    22x22 Grid

    Part Numbering System


    Back