Thursday, April 2, 2026     
     Serving the Electronic Industries for Over 33 Years
ECG NTE Relays Switches Meter Capacitor & Potentiometers logo
Bourns Potentiometers logo
Ditek Surge Protection logo
Nemco Capactitors Loco
     Electronic Components Distributor Logo                        
 Home
  |  View Account   |    Engineer's Corner    |  Contact Us  |  Cross Reference  |  Line Card  |  0 Item
Part Search
NTE Cross Ref. Search
Login
SRI Live Chat Help
call us email us contact us

Product Links

Inside SRI

About SRI
Contact Us
Careers
Link to Us!
Feedback

SRI-Newsletter
Subscribe to our newsletter to receive monthly specials, manufacturer's feature, and electronics news via email.

See Our latest release of SRI-Newsletter here

View Our List of Archived Newsletter Articles


SRI Links

Visit our Sister Site,

Distributor of

Industrial Products

  Web Search ..
  Powered by;

 203 Series Headers
Latch Header .100" x .100"
 Features
  • Dual polarization slots and 4-sided shrouding provides foolproof polarization in both vertical and horizontal planes
  • Socket ejector/latches are pre-assembled to reduce labor and component inventory
  • Socket latches provide excellent retention for rugged and high vibration applications
  • Optional short latch available
  • Specifications

    Material
    Contact . . . . . . Brass
    Plating . . . . . . Gold over Nickel
    Insulator . . . . . . PBT & 30% Glass Fiber Rated 94V-0

    Electrical
    Current rating . . . . . . 1amp
    Contact resistance. . . . . . . 30 milliohms max @ DC 100 milliamps
    Insulation resistance . . . . . . 1000 megohm min @ 500 VDC

    Mechanical
    Operating temp . . . . . . -55deg C to +105deg C


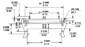
    Contacts
    A
    B
    C
    D
    E
    10
    32.00/1.260"
    27.94/1.100"
    10.16/.400"
    21.84/.860"
    17.52/.690"
    14
    37.08/1.460"
    33.02/1.300"
    15..24/.600"
    26.92/1.060"
    22.60/.890"
    16
    39.62/1.560"
    35.56/1.400"
    17.78/.700"
    29.46/1.160"
    25.14/.990"
    20
    44.70/1.760"
    40.64/1.600"
    22.86/.900"
    34.54/1.360"
    30.22/1.190"
    26
    52.32/2.060"
    48.26/1.900"
    30.48/1.200"
    42.16/1.660"
    37.84/1.490"
    30
    57.40/2.260"
    53.34/2.100"
    35.56/1.400"
    47.24/1.860"
    42.92/1.690"
    34
    62.48/2.460"
    58.42/2.300"
    40.64/1.800"
    52.32/2.060"
    48.00/1.890"
    40
    70.10/2.760"
    66.04/2.600"
    48.26/1.900"
    59.94/2.360"
    55.62/2.190"
    50
    82.80/3.260"
    78.74/3.100"
    60.96/2.400"
    72.64/2.860"
    68.32/2.690"
    60
    96.50/3.760"
    91.44/3.600"
    73.66/2.000"
    85.34/3.360"
    81.02/3.190"
    64
    100.58/3.960"
    96.52/3.800"
    78.74/3.100"
    90.45/3.560"
    86.10/3.390"

    Part Builder and Ordering Information
    203

    203 -   20 -   S
         
    Series     Number of Pins   Type
    203     10
    14
    16
    20
    26
    30
    34
    40
    50
    60
    64
          S = Straight
    R = Right Angle


    **Specifications subject to changes**
    [
    Go to Search] [Back]


    Page Links

    Part Numbering System


    Back