Saturday, April 4, 2026     
     Serving the Electronic Industries for Over 33 Years
Kestor Soldering Tools logo
Frontline Switches products page
xytronic Soldering and Desoldering Tools Logo
MPD battery-holders logo
     Electronic Components Distributor Logo                        
 Home
  |  View Account   |    Engineer's Corner    |  Contact Us  |  Cross Reference  |  Line Card  |  0 Item
Part Search
NTE Cross Ref. Search
Login
SRI Live Chat Help
call us email us contact us

Product Links

Inside SRI

About SRI
Contact Us
Careers
Link to Us!
Feedback

SRI-Newsletter
Subscribe to our newsletter to receive monthly specials, manufacturer's feature, and electronics news via email.

See Our latest release of SRI-Newsletter here

View Our List of Archived Newsletter Articles


SRI Links

Visit our Sister Site,

Distributor of

Industrial Products

  Web Search ..
  Powered by;

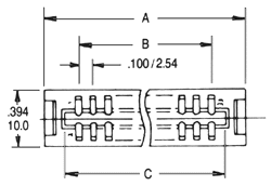
 204 Series Connectors
IDC Edge Card Connector 2.54mm/.100"
 Features
  • Designed to terminate with 28 AWG stranded flat cable
  • Typical applications include flat cable bussing and I/O interface
  • Hi-retention dual beam contact for reliable PCB connections
  • Accepts PCB thickness of 1.4 to 1.6mm
  • Insulation displacement termination for 1.27mm/.050" flat cable
  • Specifications

    Material
    Contact . . . . . . Phosphur Bronze
    Plating . . . . . . Gold over Nickel on contact, Tin on terminal
    Insulator . . . . . . PBT & 30% Glass Fiber Rated 94V-0

    Electrical
    Current rating . . . . . . 1amp
    Contact resistance. . . . . . . 30 milliohms max @ DC 100 milliamps
    Insulation resistance . . . . . . 1000 megohm min @ 500 VDC

    Mechanical
    Operating temp . . . . . . -55deg C to +105deg C


    Contacts
    A
    B
    C
    10
    24.40/.961"
    10.16/.400"
    15.42/.607"
    14
    29.97/1.180"
    15.24/.600"
    20.50/.807"
    16
    32.00/1.260"
    17.78/.700"
    23.04/.907"
    20
    37.08/1.460"
    22.86/.900"
    27.94/1.100"
    26
    44.70/1.760"
    30.48/1.200"
    35.56/1.400"
    34
    54.86/2.160"
    40.64/1.600"
    45.72/1.800"
    40
    62.48/2.460"
    48.26/1.900"
    53.34/2.100"
    50
    75.18/2.960"
    60.96/2.400"
    66.29/2.610"
    60
    87.88/3.460"
    73.66/2.900"
    79.00/3.110"
    64
    92.96/3.660"
    78.74/3.100"
    84.07/3.310"

    Part Builder and Ordering Information
    204

    204 -   10
         
    Series       Number of Contacts
    204          
    10
    14
    16
    20
    26
    34
    40
    50
    60
    64


    **Specifications subject to changes**
    [
    Go to Search] [Back]


    Page Links

    Part Numbering System


    Back