Saturday, April 4, 2026     
     Serving the Electronic Industries for Over 33 Years
Intervox Speakers & Buzzers Logo
Nte Relays, Capacitors, Resistors, & Pot Trims logo
xytronic Soldering and Desoldering Tools Logo
MPD battery-holders logo
     Electronic Components Distributor Logo                        
 Home
  |  View Account   |    Engineer's Corner    |  Contact Us  |  Cross Reference  |  Line Card  |  0 Item
Part Search
NTE Cross Ref. Search
Login
SRI Live Chat Help
call us email us contact us

Product Links

Inside SRI

About SRI
Contact Us
Careers
Link to Us!
Feedback

SRI-Newsletter
Subscribe to our newsletter to receive monthly specials, manufacturer's feature, and electronics news via email.

See Our latest release of SRI-Newsletter here

View Our List of Archived Newsletter Articles


SRI Links

Visit our Sister Site,

Distributor of

Industrial Products

  Web Search ..
  Powered by;

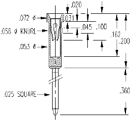
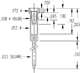
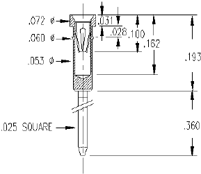
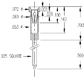
 Wire Wrap Receptacles
Wire Wrap Receptacles for .015-.025 dia.
 SPECIFICATIONS
Terminal Material: Brass Alloy 360, 1/2 Hard Contact Material: Beryllium Copper Alloy 172 HT
Tolerances:
   Lengths - ±.005
   Diameters - ±.002
   Angles - 2° Note: All dimensions are in inches
Part Builder and Ordering Information
                    
FP4103 -   XX XX -   XX
     
Series     Terminal
Plating
  Contact
Type
Contact
Plating
FP4103
FP4104
FP4105
FP4106
FP4107
FP4108
FP4109
FP4110
FP4111
    01 - 200u" Tin over 100u"
Nickel
02 - 10u" Gold over 100u" Nickel
03 - 30u" Gold over 100u" Nickel
04 - 50u" Gold over 100u" Nickel
    36
40
41
42
44
45
See contact type
11 - 150u" Tin over 50u" Nickel
12 - 10u" Gold over 50u" Nickel
13 - 30u" Gold over 50u" Nickel
14 - 50u" Gold over 50u" Nickel
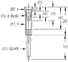
4103

.055 Min. Mtg. Hole
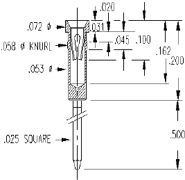
4104

.055 Mtg. Hole
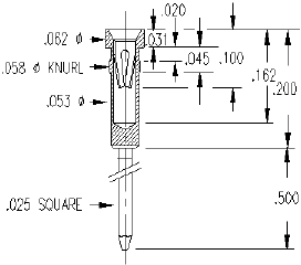
4105

.055 Min. Mtg. Hole
4106

.055 Min. Mtg. Hole
4107

.055 Min. Mtg. hole
4108

.055 Min Mtg. Hole
4109

.057 Min. Mtg. Hole
4110

.057 Min. Mtg. Hole
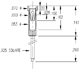
4026

.057 Min. Mtg. Hole
4027

.057 Min. Mtg. Hole
4111

.057 Min. Mtg. hole

**Specifications subject to changes**
[Go to Search] [Back]