Saturday, April 4, 2026     
     Serving the Electronic Industries for Over 33 Years
Russellstoll interconnect connectors plugs and receptacles logo
Bourns Potentiometers logo
Ditek Surge Protection logo
Littelfuse Fuses Logo
     Electronic Components Distributor Logo                        
 Home
  |  View Account   |    Engineer's Corner    |  Contact Us  |  Cross Reference  |  Line Card  |  0 Item
Part Search
NTE Cross Ref. Search
Login

 

SRI Live Chat Help
call us email us contact us

Product Links

Inside SRI

About SRI
Contact Us
Careers
Link to Us!
Feedback

SRI-Newsletter
Subscribe to our newsletter to receive monthly specials, manufacturer's feature, and electronics news via email.

See Our latest release of SRI-Newsletter here

View Our List of Archived Newsletter Articles


SRI Links

Visit our Sister Site,

Distributor of

Industrial Products

  Web Search ..
  Powered by;

 Pin Receptacles
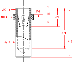
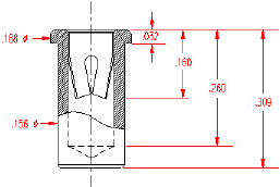
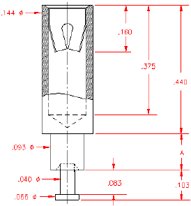
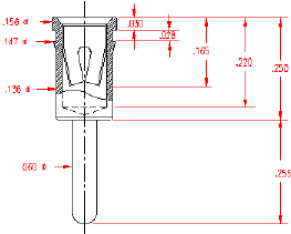
Pin Receptacles for .065-.082 dia. Pins
 SPECIFICATIONS
Terminal Material: Brass Alloy 360, 1/2 Hard Contact Material: Beryllium Copper Alloy 172 HT
Tolerances:
   Lengths - ±.005
   Diameters - ±.002
   Angles - 2° Note: All dimensions are in inches
Part Builder and Ordering Information >
                    
FP4095 -   XX XX -   XX
     
Series     Terminal
Plating
  Contact
Type
Contact
Plating
FP4095
FP4096
FP4097
FP4098
FP4099
FP4100
FP4101
FP4102
    01 - 200u" Tin over 100u"
Nickel
02 - 10u" Gold over 100u" Nickel
03 - 30u" Gold over 100u" Nickel
04 - 50u" Gold over 100u" Nickel
    41
42
See contact type
11 - 150u" Tin over 50u" Nickel
12 - 10u" Gold over 50u" Nickel
13 - 30u" Gold over 50u" Nickel
14 - 50u" Gold over 50u" Nickel
4095 4096
4097 4098
4099 4100
4101 4102

**Specifications subject to changes**
[Go to Search] [Back]