Sunday, April 12, 2026     
     Serving the Electronic Industries for Over 33 Years
Quabbin Cables & Wires logo
Frontline Switches products page
Ditek Surge Protection logo
Littelfuse Fuses Logo
     Electronic Components Distributor Logo                        
 Home
  |  View Account   |    Engineer's Corner    |  Contact Us  |  Cross Reference  |  Line Card  |  0 Item
Part Search
NTE Cross Ref. Search
Login
SRI Live Chat Help
call us email us contact us

Product Links

Inside SRI

About SRI
Contact Us
Careers
Link to Us!
Feedback

SRI-Newsletter
Subscribe to our newsletter to receive monthly specials, manufacturer's feature, and electronics news via email.

See Our latest release of SRI-Newsletter here

View Our List of Archived Newsletter Articles


SRI Links

Visit our Sister Site,

Distributor of

Industrial Products

  Web Search ..
  Powered by;

 Printed Circuit Board Relays, R24 Series

R24 Series
10 Amp, SPDT Epoxy Sealed Power Relay

 Features
  • Epoxy Sealed for Wave Soldering & Cleaning
  • Upright (V Suffix) or Flat-Pack (FP Suffix) Types
  • High Dielectric - 4000VRMS Between Control and Switching Circuits
  • Cut-Off Nib After PCB Washing
  • 94 V-0 Enclosure
  • Electrical Characteristics Contact
    Rating Resistive Load:
    10 Amp @ 380 VAC max switching (V Suffix)
    10 Amp @ 250 VAC max switching (FP Suffix)
    Material: Silver Cadmium Oxide (V Suffix)
    Material: Sliver, Gold Flashed (FP Suffix)
    Resistance: 0.3 Ohms max. initial (V Suffix)
    Resistance: 0.5 Ohms max initial (FP Suffix)

    Coil
    Coil Voltages: See Chart
    Pick-up Voltages: 80% max of nom voltage or less @ +25°C
    Drop-out Voltages: 10% min of actual pull-in (min)
    Resistance: See chart
    Min Sensitivity: 400mW
    Nominal Power: 600mW

    Operational Characteristics
    Timing Values:
                 Operate Time: Approx 6mS (V Suffix)
                 Operate Time: Approx 10mS (FP Suffix)
                 Release Time: Approx 2mS (V Suffix)
                 Release Time: Approx 15mS (FP Suffix)
                 Max Switching Rate: 5 operations per second

    Insulation Characteristics
    Dielectric Strength:
                 Contact to Coil: 4000 VRMS
                 Across Open Contacts: 1000 VRMS

    Resistance
    Contact to Coil/Frame: 1000 Megohms min.
    Across Open Contacts: 500 Megohms min.
    Coil to Frame: 1000 Megohms min.

    Environmental Characteristics
    Operating: -40°C to +70°C

    Life
    Mechanical: 5 x 106 operations min

    Weight
    Std: 15 grams approx.

    Back to Top

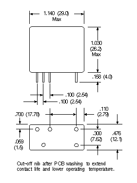
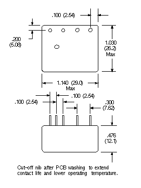
    Dimensional Drawings

    D15a
    D15b Contact Arrangment

    SPDT, 1 Form "C"
    Upright
    (V Suffix)
    SPDT, 1 Form "C"
    Flat-Pack
    (FP Suffix)

    Back to Top

    Part Numbers
    DC OPERATED
    NTE Type No. Nom.
    Volt.
    Contact
    Arr.
    Coil
    Res.
    Ohms
    (Typ)
    Nom.
    Power
    Max.
    Contact
    Cur, @
    28VDC
    or
    120VDC
    Diag.
    No.
    R24-5D10-6V 6VDC SPDT 58 600mW 10A D15a
    R24-5D10-6FP 5/6VDC SPDT 80 600mW 10A D15b
    R24-5D10-12V 12VDC SPDT 215 600mW 10A D15a
    R24-5D10-12FP 12VDC SPDT 330 600mW 10A D15b
    R24-5D10-24V 24VDC SPDT 740 600mW 10A D15a
    R24-5D10-24FP 24VDC SPDT 1200 600mW 10A D15b

    Back to Top


    **Specifications subject to changes**
    [Go to Search] [Back]


    Page Links

    Electrical Characteristics

    Dimensional Drawings

    Part Numbering



    Back