|
 Product Links 
|
|

Inside SRI

|
| SRI-Newsletter |
 |
Subscribe to our newsletter to receive monthly specials, manufacturer's feature, and electronics news via email. |
|
|
|
See Our latest release of SRI-Newsletter here
|
|
View Our List of Archived Newsletter Articles
|
|

SRI Links

|
|
Visit our Sister Site,
 Distributor of Industrial Products
| |
|
Web Search .. Powered by;
|
|
 |
 |
|
 |
 |
R40 Series
DPDT, 2 Amp, Sensitive Coil, Single Contact PC Mountable Relays for use in Telecommunications, Computer Peripherals, and Security Equipment
 |
Features
Ultra-sensitive coilEpoxy sealedStandard 0.1" DIP terminalsFCC Pt.68
|

Electrical Characteristics
Contact
Contact Rating: 2 Amp @ 120 VAC, 28 VDC
Contact Material: Gold Clad Palladium Rutenium Alloy
Contact Resistance: 100M Ohms Max.
Coil
Coil Voltages: See Chart
Pick-up Voltages: 70% of rated voltage
Drop-out Voltage: 5% of rated voltage
Max Allowable Voltage: 250% of rated voltage
Operational Characteristics
Timing Value: Operate Time: 4.5 mS Approx. Release Time: 1.5 mS Approx. Bounce Time: 0.5 to 3.5 mS Approx.
Insulation Characteristics
Dielectric Strength: Contact to Coil: 1000 VRMS Across Open Contacts: 1000 VRMS Insulation Resistance: 100M Ohms min. @ 500 VDC
Environmental Characteristics
Operating: -40°C to +65°C
Mechanical Life: 20,000,000 operations min
Electrical Life: 300,000 @ 2A, 30 VDC
Electrical Life: 500,000 @ 0.5A, 120 VAC
Weight
Std: 6 grams - approx.
Back to Top

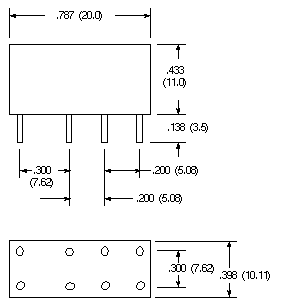
Dimensional Drawings
D34
Contact Arrangment
DPDT, 2 Form "C"
 |
Back to Top

Part Numbers
| DC OPERATED |
| NTE Type No. |
Nom. Voltage |
Contact Arr. |
Coil Res. Ohms Typ |
Nom. Power |
Max. Contact Cur. @ 28VDC or 120VAC |
Diag. No. |
| R40-11D2-5/6 |
5/6VDC |
DPDT |
167 |
150mW |
2A |
D34 |
| R40-11D2-12 |
12VDC |
DPDT |
980 |
150mW |
2A |
D34 |
| R40-11D2-24 |
24VDC |
DPDT |
2880 |
200mW |
2A |
D34 |
| R40-11D2-48 |
48VDC |
DPDT |
7680 |
200mW |
2A |
D34 |
| ACCESSORIES |
| Mounting Styles |
Description |
NTE Type No. |
| DIP PC Mount |
16-Lead DIP |
NTE416 |
| Wire Wrap Leads |
16-Lead DIP |
NTE436W16 |
Back to Top
|
**Specifications subject to changes**
[Go to Search] [Back]
|
|
|
|