|
 Product Links 
|
|

Inside SRI

|
| SRI-Newsletter |
 |
Subscribe to our newsletter to receive monthly specials, manufacturer's feature, and electronics news via email. |
|
|
|
See Our latest release of SRI-Newsletter here
|
|
View Our List of Archived Newsletter Articles
|
|

SRI Links

|
|
Visit our Sister Site,
 Distributor of Industrial Products
| |
|
Web Search .. Powered by;
|
|
 |
 |
|
 |
 |
R44 Series
General Purpose, SPST & DPST, DC Reed Relays
 |
Features
10 Watt contact ratingStandard 0.1" PC board spacingEpoxy sealedTTL & DTL compatible
|

Electrical Characteristics
Contact
Contact Rating: 0.5 Amp switching current max. 2.0 Amp carry current max. 200 VDC switching volts max.
Contact Resistance: 200 milliohms max. initial
Coil
Coil Voltages: See Chart
Operational Characteristics
Timing Value: Operate Time: 500 µS typical Release Time: 1400 µS typical
Insulation Characteristics
Dielectric Strength: Across Open Contacts: 200 VAC min Between Mutually Insulated Points: 500 VAC min
Environmental Characteristics
Operating: -45°C to +85°C
Storage: -60°C to +105°C
Capacitance
Across Open Contacts: 0.3pF typ
Open Contacts to Coil: 2.0pF typ
Life
Mechanical: 10,000,000 operations at rated load
Back to Top

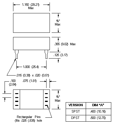
Dimensional Drawings
D21
Contact Arrangment
SPST, 1 Form "A"
 |
DPST, 2 Form "A"
 |
Back to Top

Part Numbers
| DC OPERATED |
| NTE Type No. |
Nom. Voltage |
Contact Arr. |
Coil Res. Ohms Typ |
Nom. Power |
Max. Contact |
Diag. No. |
| R44-1D2-6 |
5/6VDC |
SPST-NO |
100 |
360mW |
0.5A |
D21 |
| R44-1D2-12 |
12VDC |
SPST-NO |
420 |
360mW |
0.5A |
D21 |
| R44-1D2-24 |
24VDC |
SPST-NO |
2300 |
360mW |
0.5A |
D21 |
|
| R44-11D2-12 |
12VDC |
DPST-NO |
280 |
510mW |
0.5A |
D21 |
| R44-11D2-24 |
24VDC |
DPST-NO |
1500 |
510mW |
0.5A |
D21 |
Back to Top
|
**Specifications subject to changes**
[Go to Search] [Back]
|
|
|
|